Новости
Все новости
КА5003Ех барьер искрозащиты
цена по запросу
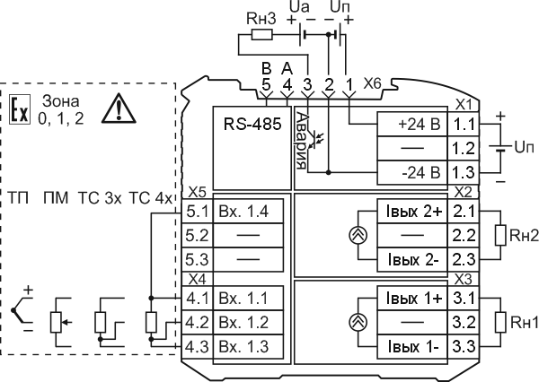
Барьеры искрозащиты КА5003Ех предназначены для преобразования и разветвления сигналов термопар, термометров сопротивления и потенциометров в 2 активных токовых сигнала (4...20) мА.
Доступны для заказа:
- КА5003Ex-00-M0;
- КА5003Ex-10-M0;
- КА5003Ex-12-M0.
