PTF-DM5DPR-E2 оптический датчик LANBAO
Температура окружающей среды, °C: -15…+55
Влажность окружающей среды: Относительная влажность 35-95 % (без конденсации)
Время отклика, мс: 8,2
Оптический датчик PTF-DM5DPR-E2 обеспечивает надежное детектирование различных объектов и работает на отражение луча от установленного отдельно рефлектора на расстоянии до 5 м.
По принципу работы устройство представляет собой рефлекторный датчик, который излучает инфракрасный. Одно из его главных отличий — подходит для всех видов промышленных применений.
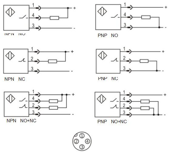
Питание 12-24 DC, подключение осуществляется через разъем М12. Сигнал на выходе — типа PNP, срабатывает NO+NC.
Технические характеристики:
Потребление тока, мА:25
Температура окружающей среды, °C:-15…+55
Влажность окружающей среды:Относительная влажность 35-95 % (без конденсации)
Время отклика, мс:8,2
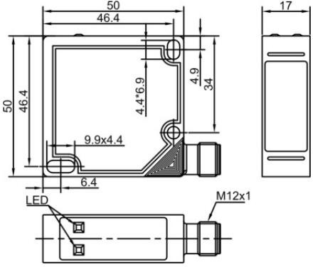
Размер прямоугольного корпуса, мм:50x50x17
Сертификат соответствия:CE+EAC
Длина волны, нм:880
Защита от короткого замыкания:да
Защита от перегрузок по току:да
Защита от переполюсовки:да
Индикация:есть
Корпус: прямоугольный
Макс. ток нагрузки, А:0,2
Материал корпуса:Пластмасса
Напряжение питания, В:12-24 DC
Особенности:Подходит для всех видов промышленных применений
Расстояние срабатывания, м:5
Резьба разъема:М12
Соединение:разьём
Степень защиты:IP64
Тип выходного сигнала:PNP
Тип света:инфракрасный
Функциональный принцип:Рефлекторный датчик
Функция переключения: NO+NC

