PSE-PM5DNRL-E3 оптический датчик LANBAO
Потребление тока, мА: 20
Класс лазера: 1
Регулировка чувствительности: Потенциометр
Серия: PSE
Время отклика, мс: 0,5
Оптический датчик PSE-PM5DNRL-E3 обеспечивает надежное детектирование различных объектов и работает на отражение луча от установленного отдельно рефлектора на расстоянии до 5 м.
По принципу работы устройство представляет собой рефлекторный датчик, который излучает красный лазер. Одно из его главных отличий от аналогов — универсальный корпус, подходит для суровых условий эксплуатации, удобная и быстрая настройка.
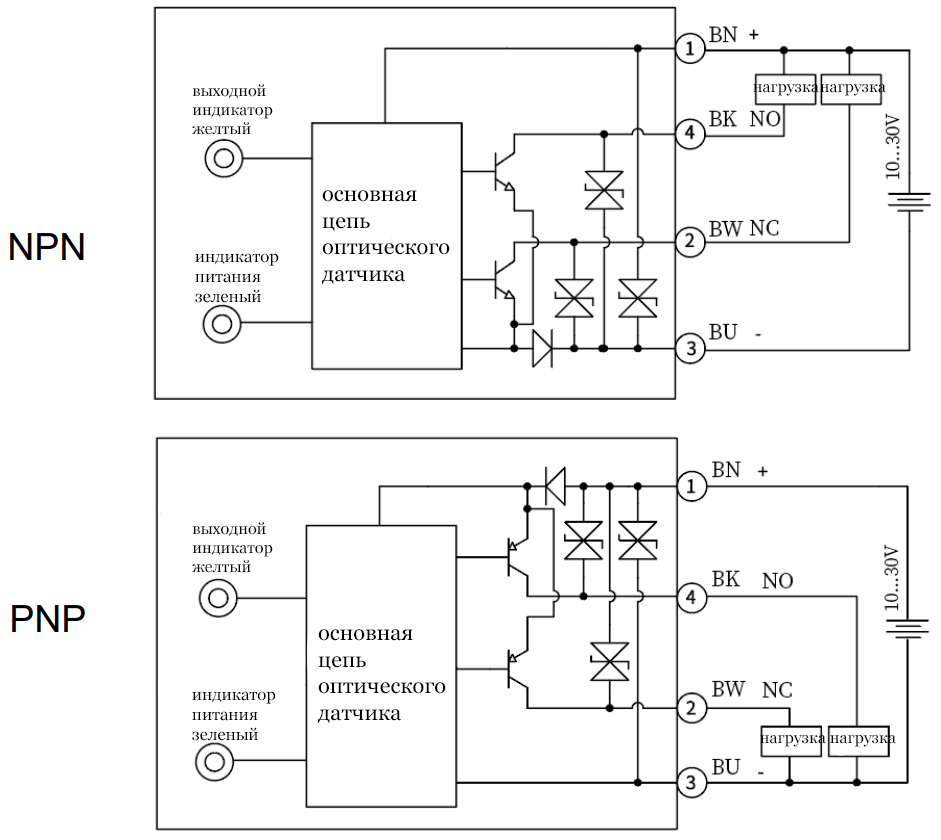
Питание 12-24 DC, подключение осуществляется через разъем М8. Сигнал на выходе — типа NPN, срабатывает NO+NC.
Технические характеристики:
Размер светового пятна, мм:10
Потребление тока, мА:20
Класс лазера:1
Регулировка чувствительности:Потенциометр
Серия:PSE
Время отклика, мс:0,5
Температура эксплуатации Max, °C:50
Температура эксплуатации Min, °C:-10
Размер прямоугольного корпуса, мм:32,5x20,7x10,6
Сертификат соответствия:CE+EAC
Вес, грамм:10
Длина волны, нм:650
Доступен поляризационный фильтр:да
Защита от короткого замыкания:да
Защита от перегрузок по току:да
Защита от переполюсовки:да
Индикация:зеленый/желтый светодиод
Комплектация:Монтажный кронштейн
Корпус: прямоугольный
Макс. ток нагрузки, А:0,1
Материал корпуса:Пластмасса
Напряжение питания, В:12-24 DC
Особенности:Универсальный корпус, подходит для суровых условий эксплуатации, удобная и быстрая настройка
Расстояние срабатывания, м:5
Резьба разъема: М8
Соединение: разьём
Степень защиты:IP67
Тип выходного сигнала: NPN
Тип света:красный лазер
Функциональный принцип:Рефлекторный датчик
Функция переключения: NO+NC
Частота переключения, Гц:1000

