PSE-PM10DPRL-E3 оптический датчик LANBAO
Потребление тока, мА: 20
Класс лазера: 1
Регулировка чувствительности: потенциометр
Время отклика, мс: 0,5
Оптический датчик PSE-PM10DPRL-E3 обеспечивает надежное детектирование различных объектов и работает на отражение луча от установленного отдельно рефлектора на расстоянии до 10 м.
По принципу работы устройство представляет собой рефлекторный датчик, который излучает красный лазер. Универсальный корпус, подходит для суровых условий эксплуатации, удобная и быстрая настройка.
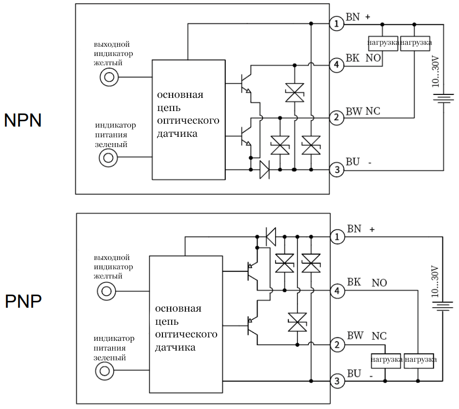
Питание 12-24 DC, подключение осуществляется через разъем М8. Сигнал на выходе — типа PNP, срабатывает NO+NC.
Технические характеристики:
Размер светового пятна, мм: 20
Потребление тока, мА: 20
Класс лазера: 1
Регулировка чувствительности: потенциометр
Время отклика, мс: 0,5
Температура эксплуатации Max, °C: 50
Температура эксплуатации Min, °C: -10
Размер прямоугольного корпуса, мм: 32,5x20,7x10,6
Сертификат соответствия: CE+EAC
Вес, грамм: 10
Длина волны, нм: 650
Доступен поляризационный фильтр: да
Защита от короткого замыкания: да
Защита от перегрузок по току: да
Защита от переполюсовки: да
Индикация: зеленый/желтый светодиод
Комплектация: монтажный кронштейн
Корпус: прямоугольный
Макс. ток нагрузки, А: 0,1
Материал корпуса: пластмасса
Напряжение питания, В: 12-24 DC
Особенности: универсальный корпус, подходит для суровых условий эксплуатации, удобная и быстрая настройка
Расстояние срабатывания, м: 10
Резьба разъема: М8
Соединение: разьём
Степень защиты: IP67
Тип выходного сигнала: PNP
Тип света: красный лазер
Функциональный принцип: рефлекторный датчик
Функция переключения: NO+NC
Частота переключения, Гц: 1000

