PR18-DM3DPR-E2 оптический датчик LANBAO
Температура окружающей среды, °C: -15…+55
Влажность окружающей среды: Относительная влажность 35-95 % (без конденсации)
Время отклика, мс: 8,2
Оптический датчик PR18-DM3DPR-E2 обеспечивает надежное детектирование различных объектов и работает на отражение луча от установленного отдельно рефлектора на расстоянии до 3 м.
По принципу работы устройство представляет собой рефлекторный датчик, который излучает инфракрасный. Простота установки. подходит для всех видов промышленных применений.
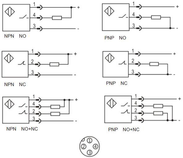
Питание 12-24 DC, подключение осуществляется через разъем М12. Сигнал на выходе — типа PNP, срабатывает NO+NC.
Технические характеристики:
Потребление тока, мА:25
Температура окружающей среды, °C:-15…+55
Влажность окружающей среды:Относительная влажность 35-95 % (без конденсации)
Время отклика, мс:8,2
Размер резьбы корпуса: М18
Сертификат соответствия:CE+EAC
Длина волны, нм:880
Защита от короткого замыкания:да
Защита от перегрузок по току:да
Защита от переполюсовки:да
Индикация:есть
Комплектация:Рефлектор
Корпус: резьбовой
Макс. ток нагрузки, А:0,2
Материал корпуса:Никелированная латунь
Напряжение питания, В:12-24 DC
Особенности:Простота установки. Подходит для всех видов промышленных применений
Расстояние срабатывания, м:3
Резьба разъема: М12
Соединение: разьём
Степень защиты:IP67
Тип выходного сигнала: PNP
Тип света:инфракрасный
Функциональный принцип:Рефлекторный датчик
Функция переключения: NO+NC

