PDB-CM8TGU оптический датчик расстояния LANBAO
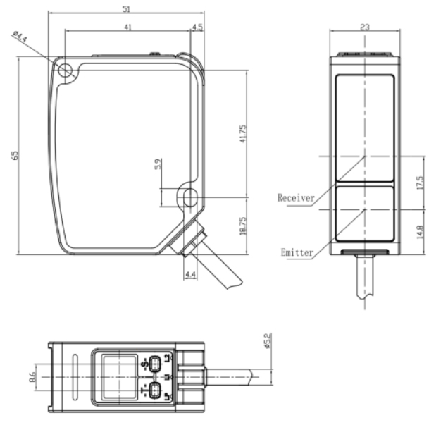
Размер прямоугольного корпуса, мм: 65x51x23
Аналоговый выход по напряжению, В: 0-10
Корпус: Прямоугольный
Соединение: Кабель
Тип выходного сигнала: PNP/NPN
Функция переключения: NO/NC
Оптический датчик расстояния PDB-CM8TGU — надежное решение для использования в различных отраслях промышленности.
Датчик подключается через кабель 2 м и имеет аналоговый выходной сигнал по напряжению 0-10 В. Дополнительный цифровой выход PNP/NPN. Напряжение питания: 12-24 DC.
Дальномер имеет прочный прямоугольный корпус, для изготовления которого использован материал пластмасса. Рассчитан на эксплуатацию в широком диапазоне температур -10…+50 °C и отлично защищен от внешних воздействий.
Технические характеристики:
Класс лазера: 3
Диапазоны измерения расстояния:1 м ...< 10 м
Дальность измерения Max, м:8
Дальность измерения Min, мм:200
Температура эксплуатации Max, °C:50
Температура эксплуатации Min, °C:-10
Размер прямоугольного корпуса, мм:65x51x23
Сертификат соответствия:EAC
Линейная точность, %:1
Аналоговый выход по напряжению, В:0-10
Длина волны, нм:850
Длина кабеля, м:2
Защита от короткого замыкания:да
Защита от переполюсовки:да
Корпус: прямоугольный
Материал корпуса:Пластмасса
Напряжение питания, В:12-24 DC
Соединение: кабель
Степень защиты:IP67
Температура эксплуатации, °C:-10…+50
Тип выходного сигнала: PNP/NPN
Тип света:инфракрасный
Функция переключения:NO/NC

