PTF-BC100DPR-E2 оптический датчик LANBAO
Температура окружающей среды, °C: -15…+55
Влажность окружающей среды: 35-95 % (без конденсации)
Время отклика, мс: 8,2
Оптический датчик PTF-BC100DPR-E2 используется для обнаружения различных объектов путем приёма отраженного от них света излучателя.
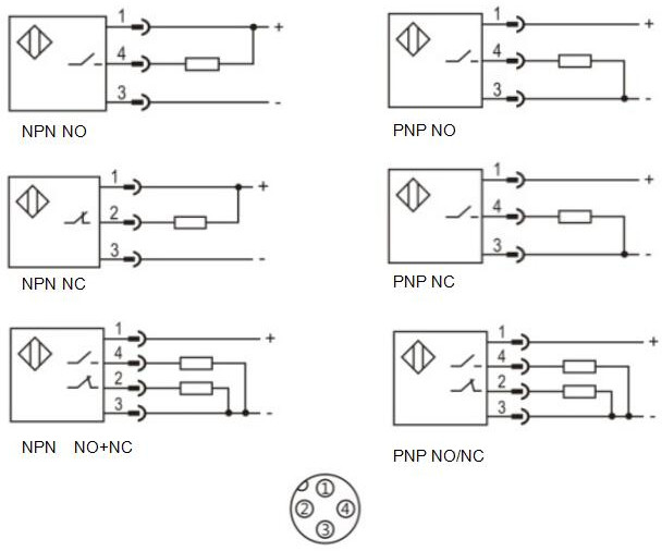
Применяется как датчик диффузного отражения и срабатывает на расстоянии до1 м. Работает при напряжении в пределах 12-24 DC. Соединение осуществляется через разъем М12. Выход — PNP со срабатыванием NO+NC. Устройство излучает инфракрасный. Особенность модели — подходит для всех видов промышленных применений.
Технические характеристики:
Потребление тока, мА: 25
Температура окружающей среды, °C: -15…+55
Влажность окружающей среды: Относительная влажность 35-95 % (без конденсации)
Время отклика, мс: 8,2
Размер прямоугольного корпуса, мм: 50x50x17
Сертификат соответствия: CE+EAC
Длина волны, нм: 880
Защита от короткого замыкания: да
Защита от перегрузок по току: да
Защита от переполюсовки: да
Индикация: есть
Корпус: прямоугольный
Макс. ток нагрузки, А: 0,2
Материал корпуса: пластмасса
Напряжение питания, В: 12-24 DC
Особенности: Подходит для всех видов промышленных применений
Расстояние срабатывания, м: 1
Резьба разъема: М12
Соединение: разьём
Степень защиты: IP64
Тип выходного сигнала: PNP
Тип света: инфракрасный
Функциональный принцип: Датчик диффузного отражения
Функция переключения: NO+NC

