PSE-YC35DPRL-E3 оптический датчик LANBAO
Потребление тока, мА: 20
Класс лазера: 1
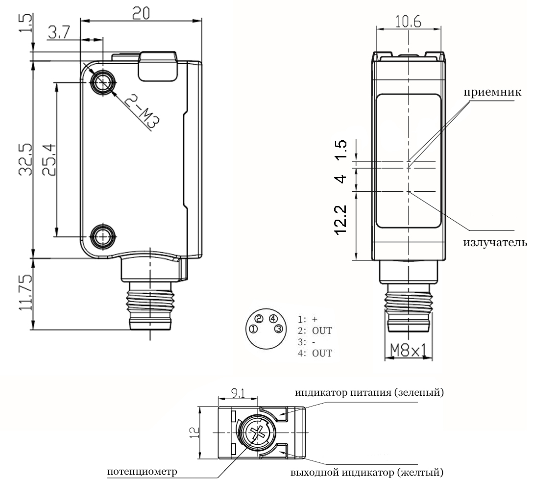
Регулировка чувствительности: потенциометр
Время отклика, мс: 1
Оптический датчик PSE-YC35DPRL-E3 используется для обнаружения различных объектов путем приёма отраженного от них света излучателя.
Применяется как датчик диффузного отражения, работает при напряжении в пределах 12-24 DC. Соединение осуществляется через разъем М8. Выход-PNP со срабатыванием NO+NC. Устройство излучает красный. Особенность модели-универсальный корпус, подходит для суровых условий эксплуатации, удобная и быстрая настройка, стабильное обнаружение черных и белых объектов.
Технические характеристики:
Размер светового пятна, мм: 2 (на расстоянии35 см)
Потребление тока, мА: 20
Класс лазера: 1
Регулировка чувствительности: потенциометр
Время отклика, мс: 1
Температура эксплуатации Max, °C: 50
Температура эксплуатации Min, °C: -10
Размер прямоугольного корпуса, мм: 32,5x10,6x20
Сертификат соответствия: CE+EAC
Вес, грамм: 10
Длина волны, нм: 650
Доступно подавление заднего фона: да
Защита от короткого замыкания: да
Защита от перегрузок по току: да
Защита от переполюсовки: да
Индикация: зеленый/желтый светодиод
Корпус: прямоугольный
Макс. ток нагрузки, А: 0,1
Материал корпуса: пластмасса
Напряжение питания, В: 12-24 DC
Особенности: Универсальный корпус, подходит для суровых условий эксплуатации, удобная и быстрая настройка, стабильное обнаружение черных и белых объектов.
Расстояние срабатывания, мм: 350
Резьба разъема: М8
Соединение: разьём
Степень защиты: IP67
Тип выходного сигнала: PNP
Тип света: красный
Функциональный принцип: датчик диффузного отражения
Функция переключения: NO+NC

