PR12-BC15DPR-E2 оптический датчик LANBAO
Температура окружающей среды, °C: +15…+55
Влажность окружающей среды: 35-95 % (без конденсации)
Время отклика, мс: 8,2
Технические характеристики:
Потребление тока, мА: 25
Температура окружающей среды, °C: +15…+55
Влажность окружающей среды: Относительная влажность 35-95 % (без конденсации)
Время отклика, мс: 8,2
Размер резьбы корпуса: М12
Сертификат соответствия: CE+EAC
Длина волны, нм: 880
Защита от короткого замыкания: да
Защита от перегрузок по току: да
Защита от переполюсовки: да
Индикация: есть
Корпус: резьбовой
Макс. ток нагрузки, А: 0,2
Материал корпуса: никелированная латунь
Напряжение питания, В: 12-24 DC
Особенности: Настраиваемое расстояние обнаружения. Простота установки. Подходит для всех видов промышленных применений
Расстояние срабатывания, мм: 150
Резьба разъема: М12
Соединение: разьём
Степень защиты: IP67
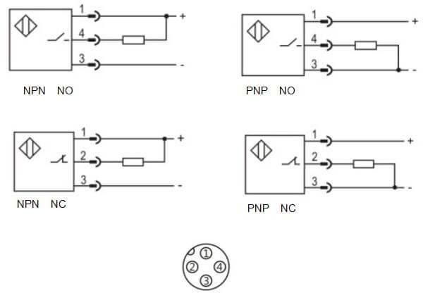
Тип выходного сигнала: PNP
Тип света: инфракрасный
Функциональный принцип: датчик диффузного отражения
Функция переключения: NO+NC

