PR30S-TM20D-E2 оптический датчик LANBAO
Корпус: Резьбовой
Размер резьбы корпуса: M30
Соединение: Разъём
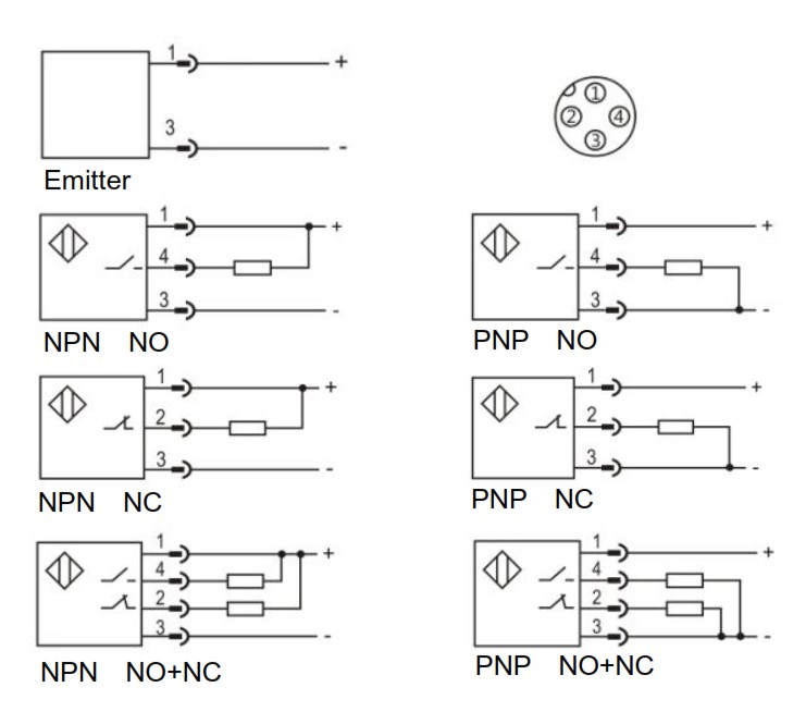
Излучатель / приёмник: Излучатель
Оптический датчик PR30S-TM20D-E2 — модель с отличным соотношением качества и цены, которая работает как однолучевой световой барьер и срабатывает на пересечение объектом луча, который проходит от излучателя к приёмнику.
Основные для выбора технические параметры:
подключается через разъём ;
рабочий диапазон напряжения — 10-30 DC;
излучает инфракрасный;
Технические характеристики:
Потребление тока, мА: 25
Температура окружающей среды, °C: -15…+55
Влажность окружающей среды: Относительная влажность 35-85 % (без конденсации)
Время отклика, мс: 8,2
Размер резьбы корпуса: M30
Сертификат соответствия: CE+EAC+UL
Минимальный диаметр объекта, мм: 10
Длина волны, нм: 880
Защита от короткого замыкания: да
Защита от перегрузок по току: да
Защита от переполюсовки: да
Излучатель / приёмник: Излучатель
Индикация: есть
Корпус: Резьбовой
Макс. ток нагрузки, А: 0,2
Материал корпуса: Пластмасса
Напряжение питания, В: 10-30 DC
Особенности: Работает с приемниками PR12S-TM10DNO, PR12S-TM10DNC, PR12S-TM10DNR, PR12S-TM10DPO, PR12S-TM10DPC, PR12S-TM10DPR (Приобретается отдельно). Настраиваемое расстояние обнаружения, простота установки, подходит для всех видов промышленных применений
Расстояние срабатывания, м: 20
Соединение: Разъём
Степень защиты: IP67
Тип света: инфракрасный
Функциональный принцип: Однолучевой световой барьер

