LR08BF02DPOY-E2 индуктивный датчик LANBAO
Корпус: Резьбовой
Монтаж: заподлицо
Расстояние срабатывания, мм: 2
Соединение: Разъем
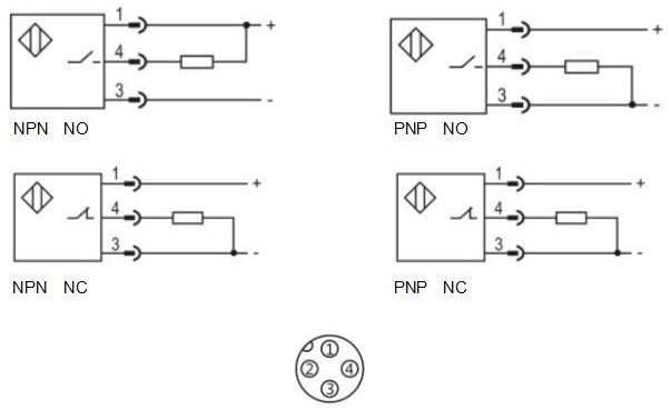
Тип выходного сигнала: PNP
Функция переключения: NO
Индуктивный датчик LR08BF02DPOY-E2-надежный и простой в установке прибор, предназначенный для бесконтактного определения положения объектов из металла. Расстояние срабатывания 2 мм. Поддерживает подключение через разъем M12.
Рабочее напряжение: 12-24 DC. Электрическое исполнение выхода-PNP. Функция выходного сигнала-NO.
Датчик имеет прочный резьбовой корпус из никелированной латуни с установкой заподлицо. Может работать при эксплуатации в диапазоне температур -25...+70 °C.
- Число контактов, pin: 4
- Температура эксплуатации Max, °C: 70
- Температура эксплуатации Min, °C: -25
- Размер резьбы корпуса: М8
- Сертификат соответствия: CE+EAC
- Тип напряжения питания: DC
- Защита от короткого замыкания: да
- Защита от перегрузок по току: да
- Защита от переполюсовки: да
- Индикация: Желтый светодиод LED
- Корпус: резьбовой
- Материал корпуса: Никелированная латунь
- Монтаж: заподлицо
- Напряжение питания, В: 12-24 DC
- Особенности: Увеличенное расстояние срабатывания
- Расстояние срабатывания, мм: 2
- Резьба разъема: М12
- Соединение: разьём
- Степень защиты: IP67
- Тип выходного сигнала: PNP
- Функция переключения: NO
- Частота переключения, Гц: 1500

