LE40SZSN40DPRY-E2 индуктивный датчик LANBAO
Корпус: Прямоугольный
Монтаж: незаподлицо
Расстояние срабатывания, мм: 40
Соединение: Разъем
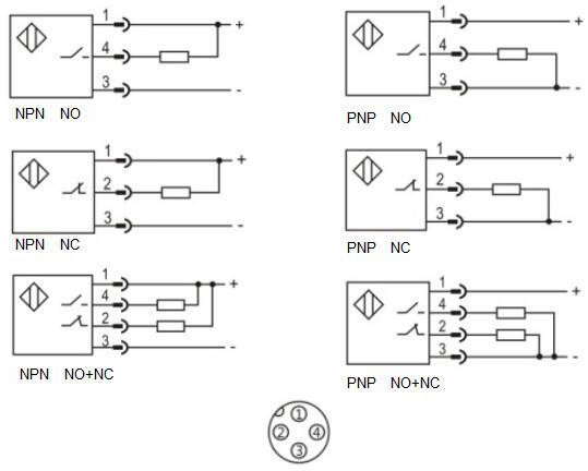
Тип выходного сигнала: PNP
Функция переключения: NO+NC
Индуктивный датчик LE40SZSN40DPRY-E2-надежный и простой в установке, предназначен для бесконтактного определения положения объектов из металла. Расстояние срабатывания-40 мм. Поддерживает подключение через разъем M12.
Рабочее напряжение-12-24 DC. Электрическое исполнение выхода-PNP. Функция выходного сигнала-NO+NC.
Датчик имеет прочный прямоугольный корпус с установкой незаподлицо. Для его изготовления использован материал пластмасса.
Важная особенность это-увеличенное расстояние срабатывания.
- Потребление тока, мА: 10
- Число контактов, pin: 4
- Температура окружающей среды, °C: -25…+70
- Влажность окружающей среды: 35-95%
- Размер прямоугольного корпуса, мм: 40x40x66
- Сертификат соответствия: CE+EAC
- Тип напряжения питания: DC
- Защита от короткого замыкания: да
- Защита от перегрузок по току: да
- Защита от переполюсовки: да
- Индикация: Желтый светодиод LED
- Корпус: прямоугольный
- Макс. ток нагрузки, А: 0,2
- Материал корпуса: Пластмасса
- Монтаж: незаподлицо
- Напряжение питания, В: 12-24 DC
- Особенности: Увеличенное расстояние срабатывания
- Расстояние срабатывания, мм: 40
- Резьба разъема: М12
- Соединение: разьём
- Степень защиты: IP67
- Тип выходного сигнала: PNP
- Функция переключения: NO + NC
- Частота переключения, Гц: 100

