LANBAO CR30CF10DPR-E2 емкостной датчик
Корпус: Резьбовой
Монтаж: заподлицо
Расстояние срабатывания, мм: 10
Соединение: Разъем
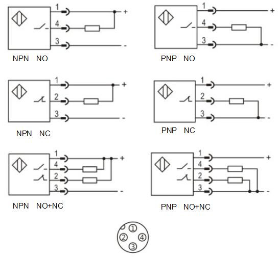
Тип выходного сигнала: PNP
Функция переключения: NO+NC
Емкостной датчик CR30CF10DPR-E2 используется для определения положения объекта бесконтактным способом практически любых проводящих и непроводящих материалов с расстоянием срабатывания до 10 мм. Он предназначен для установки заподлицо, при этом подключение осуществляется через разъем М12.
Датчик имеет надежный резьбовой корпус, материалом изготовления для него служит никелированная латунь. Устойчив к внешним воздействиям, что позволяет использовать его в тяжелых условиях эксплуатации, в том числе пыль, вибрация. Тип выхода — PNP с функцией переключения NO+NC. Рабочее напряжение питания — 12-24 DC.
Особенность модели — стабильная производительность. отличная защита от помех.
Технические характеристики:
Потребление тока, мА:15
Влажность окружающей среды:35-95 % RH
Температура эксплуатации Max, °C:70
Температура эксплуатации Min, °C:-25
Размер резьбы корпуса: M30
Сертификат соответствия:CE+EAC+UL
Защита от короткого замыкания:да
Защита от перегрузок по току:да
Защита от переполюсовки:да
Индикация:желтый светодиод
Корпус: Резьбовой
Макс. ток нагрузки, А:0,2
Материал корпуса:Никелированная латунь
Монтаж:заподлицо
Напряжение питания, В:12-24 DC
Особенности:Стабильная производительность. Отличная защита от помех
Расстояние срабатывания, мм:10
Резьба разъема: M12
Соединение: Разъем
Степень защиты:IP67
Тип выходного сигнала: PNP
Функция переключения: NO+NC
Частота переключения, Гц:50

