LANBAO CR30SCF10DPR-E2 емкостной датчик
Корпус: Резьбовой
Монтаж: заподлицо
Расстояние срабатывания, мм: 10
Соединение: Разъем
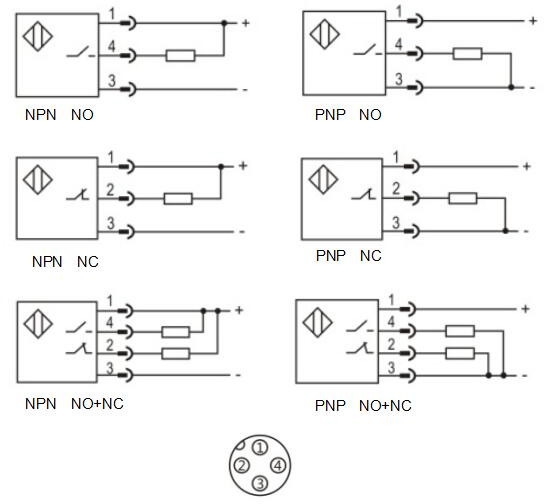
Тип выходного сигнала: PNP
Функция переключения: NO+NC
Емкостной датчик CR30SCF10DPR-E2 используется для определения положения объекта бесконтактным способом практически любых проводящих и непроводящих материалов с расстоянием срабатывания до 10 мм. Он предназначен для установки заподлицо, подключение осуществляется через разъем М12.
Датчик имеет надежный резьбовой корпус, материалом изготовления для него служит пластмасса. Устойчив к внешним воздействиям, что позволяет использовать его в тяжелых условиях эксплуатации, в том числе пыль, вибрация. Тип выхода — PNP с функцией переключения NO+NC. Рабочее напряжение питания — 12-24 DC.
Особенность модели — стабильная производительность, отличная защита от помех.
Технические характеристики:
Потребление тока, мА: 15
Влажность окружающей среды: 35-95 % RH
Температура эксплуатации Max, °C: 70
Температура эксплуатации Min, °C: -25
Размер резьбы корпуса: M30
Сертификат соответствия: CE+EAC+UL
Защита от короткого замыкания: да
Защита от перегрузок по току: да
Защита от переполюсовки: да
Индикация: желтый светодиод
Корпус: Резьбовой
Макс. ток нагрузки, А: 0,2
Материал корпуса: Пластмасса
Монтаж: заподлицо
Напряжение питания, В: 12-24 DC
Особенности: Стабильная производительность, отличная защита от помех
Расстояние срабатывания, мм: 10
Резьба разъема: M12
Соединение: Разъем
Степень защиты: IP67
Тип выходного сигнала: PNP
Функция переключения: NO+NC
Частота переключения, Гц: 50

